PANASONIC DMP-BDT500P
BLU RAY
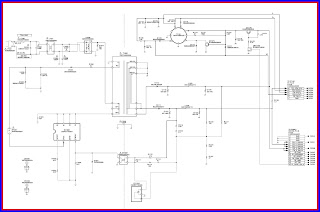
SERVICE MODE ERROR CODES AND POWER SUPPLY CIRCUIT
Service
Navigation
Combination of Multiple Pressing on the Remote Control
Press multi-buttons (in combination) on the remote control simultaneously for operations, such as initialization or service mode, etc.
Entering Special Modes with Combination of Multiple Pressing on the Remote Control
Enter the following special modes by multiple pressing functions on the supplied remote control.
After entering each mode, switch to the desired menus for operation.
Combination of Multiple Pressing on the Remote Control
Press multi-buttons (in combination) on the remote control simultaneously for operations, such as initialization or service mode, etc.
Entering Special Modes with Combination of Multiple Pressing on the Remote Control
Enter the following special modes by multiple pressing functions on the supplied remote control.
After entering each mode, switch to the desired menus for operation.
Disclosure
mode (Combination of multiple pressing: [KEYS] [Blue] [Yellow])
Press and hold [KEYS] [Blue] [Yellow] on the remote control simultaneously for 5 sec., then "00 RET" is displayed on FL display window.
Press and hold [KEYS] [Blue] [Yellow] on the remote control simultaneously for 5 sec., then "00 RET" is displayed on FL display window.
Nondisclosure
mode 1 (Combination of multiple pressing: [HOME] [RETURN]
[Yellow])
Press and hold [HOME] [RETURN] [Yellow] on the remote control simultaneously for 5 sec., then [50 RET] is displayed on FL display window.
[Yellow])
Press and hold [HOME] [RETURN] [Yellow] on the remote control simultaneously for 5 sec., then [50 RET] is displayed on FL display window.
Nondisclosure
mode 2 (Combination of multiple pressing: [HOME] [KEYS] [Red])
Press and hold [HOME] [KEYS] [Red] on the remote control simultaneously for about 5 sec., then "70 RET" is displayed on FL display window.
Press and hold [HOME] [KEYS] [Red] on the remote control simultaneously for about 5 sec., then "70 RET" is displayed on FL display window.
Taking
out the Disc from BD-Drive Unit when the Disc cannot be ejected
by [EJECT] button
Forcible Disc Eject
When the power can be turned off.
1. Turn off the power, press and hold [KEYS], [B] and [Y] on the remote control at the same time for more than 5 seconds.
-"00 RET" is displayed on the unit's display.
2. Repeatedly press [R] on the remote control or [POWER] on the unit until "06 FTO" is displayed on the unit's display.
3. Press [G] on the remote control or [EJECT] on the unit.
When the power can not be turned off.
1. Press [POWER] key on the front panel for over 4 seconds to turn off the power forcibly, press and hold [KEYS], [B] and [Y] on
the remote control at the same time for more than 5 seconds.
-"00 RET" is displayed on the unit's display.
2. Repeatedly press [R] on the remote control or [POWER] on the unit until "06 FTO" is displayed on the unit's display.
3. Press [G] on the remote control or [EJECT] on the unit.
by [EJECT] button
Forcible Disc Eject
When the power can be turned off.
1. Turn off the power, press and hold [KEYS], [B] and [Y] on the remote control at the same time for more than 5 seconds.
-"00 RET" is displayed on the unit's display.
2. Repeatedly press [R] on the remote control or [POWER] on the unit until "06 FTO" is displayed on the unit's display.
3. Press [G] on the remote control or [EJECT] on the unit.
When the power can not be turned off.
1. Press [POWER] key on the front panel for over 4 seconds to turn off the power forcibly, press and hold [KEYS], [B] and [Y] on
the remote control at the same time for more than 5 seconds.
-"00 RET" is displayed on the unit's display.
2. Repeatedly press [R] on the remote control or [POWER] on the unit until "06 FTO" is displayed on the unit's display.
3. Press [G] on the remote control or [EJECT] on the unit.
When the
Forcible Disc Eject can not be done.
1. Turn off the power and pull out AC cord.
2. Put deck so that bottom can be seen.
3. Insert the Paper clip, etc. into the hole on the bottom of BD Drive and slide the Paper clips, etc. in the direction of the arrow to eject tray slightly.
1. Turn off the power and pull out AC cord.
2. Put deck so that bottom can be seen.
3. Insert the Paper clip, etc. into the hole on the bottom of BD Drive and slide the Paper clips, etc. in the direction of the arrow to eject tray slightly.
4. Put deck upward,
and pick out Tray by finger.
Service
Mode
Self-Diagnosis and Special Mode Setting
Self-Diagnosis Functions
Self-Diagnosis Function provides information for errors to service personnel by “Self-Diagnosis Display” when any error has occurred.
U** and F** are stored in memory and held.
You can check latest error code by transmitting [0] [1] of Remote Controller in Service Mode.
Automatic Display on FL will be cancelled when the power is turned off or AC input is turned off during self-diagnosis display is ON.
Self-Diagnosis and Special Mode Setting
Self-Diagnosis Functions
Self-Diagnosis Function provides information for errors to service personnel by “Self-Diagnosis Display” when any error has occurred.
U** and F** are stored in memory and held.
You can check latest error code by transmitting [0] [1] of Remote Controller in Service Mode.
Automatic Display on FL will be cancelled when the power is turned off or AC input is turned off during self-diagnosis display is ON.
ERROR CODES
Error Cod
|
Description
|
U30
|
Display appears when main unit and remote
controller codes are not matched. |
U59
|
Display appears when the drive temperature
exceeds 70°C. The power is turned off forcibly. For 30 minutes after this, all key entries are disabled. The event is saved in memory as well. |
U71
|
Display this error when the equipment (com
patible with DVI such as TV, amplifier etc.) connected to the unit by HDMI is incompatible with HDCP (High-bandwidth Digital Content Protection). |
U72
|
Display this error when there are any commu
nication problems with the unit and the equip ments (TV, amplifier ect.) connected to the unit by HDMI. (or when there is a problem with the HDMI cable). The display disappears only when the connection is released. Neither the button operation nor the passage of the fixed time disappear the display. |
U73
|
When authentication error occurs while the
equipments (TV, amplifier etc.) are connected by HDMI. (or when there is a problem with the HDMI cable) The display disappears only when the con nection is released. Neither the button opera tion nor the passage of the fixed time disappear the display. |
U76
|
This error is displayed when equipment such
as TVs or amplifiers connected to the unit with the HDMI cable do not correspond to the copyright protection. (The BD/DVD video where the copyright is protected cannot be played.) |
U77
|
This error is displayed when it becomes
impossible to reproduce because of copyright illegal information. |
U88
|
This error is displayed when there is a disc in
the disc tray or abnormality is confirmed during playback. It is shown that the restoration to return the main unit operation normally is operating. It becomes possible to use as soon as not the breakdown but the U88 display disappears. |
F00
|
Initial setting for error code in memory (Error
code Initialization is possible with error code initialization and main unit initialization). |
F34
|
When initialization error is detected after start
ing up main microprocessor, the power is turned off automatically. The event is saved in memory. |
F58
|
When drive unit error is detected, the event is
saved in memory. |
F74
|
This error is displayed when the information
error is occurred at HDMI device key loading. |
F75
|
This error is displayed when the key of loaded
is illegal at HDMI device key loading. |
F99
|
Displayed when communication error has
occurred between Main microprocessor and Timer microprocessor. |
UNSUP PORT
|
*An unsupported format disc was played,
although the drive starts normally. *The data format is not supported, although the media type is supported. *Exceptionally in case of the disc is dirty. |
NO READ
|
*A disc is flawed or dirty.
*A poor quality failed to start. *The track information could not be read. |
HARD ERR
|
The drive detected a hard error.
|
SELF CHECK
|
Since the power cord fell out during a power
failure or operation, it is under restoration operation. *It will OK, if a display disappears automati cally. If a display does not disappear, there is the possibility that defective Digital P.C.B. / BD drive. |
UNFOR MAT
|
This error is displayed when the unformatted
DVD-RAM/DVD-RW or the DVD-RW recorded by another make of recorder is inserted. |
PLEASE WAIT
|
Unit is in termination process now.
[BYE] is displayed and power will be turned off. |
No PLAY
|
Rating password is set.
|
Rating password
While the unit is on,
press and hold [KEYS], [B] and [Y] on the remote control at the same time for more
than 5 seconds.
- "00 RET" is displayed on the unit's display.
Repeatedly press [R] on the remote control or [POWER] on the unit until "03 VL" is displayed on the unit's display.
Press [G] on the remote control or [EJECT] on the unit.
- "00 RET" is displayed on the unit's display.
Repeatedly press [R] on the remote control or [POWER] on the unit until "03 VL" is displayed on the unit's display.
Press [G] on the remote control or [EJECT] on the unit.
Default setting
While the unit is
off, press and hold [KEYS], [B] and [Y] on the remote control at the same time
for more than 5 seconds.
- "00 RET" is displayed on the unit's display.
Repeatedly press [R] on the remote control or [POWER] on the unit until "08 FIN" is displayed on the unit's display.
Press and hold [G] on the remote control or [EJECT] on the unit for at least 3 seconds.
- "00 RET" is displayed on the unit's display.
Repeatedly press [R] on the remote control or [POWER] on the unit until "08 FIN" is displayed on the unit's display.
Press and hold [G] on the remote control or [EJECT] on the unit for at least 3 seconds.
POWER SUPPLY CIRCUIT
CLICK ON THE IMAGE TO ZOOM IN


