SONY KDL-40HX800 - KDL-40HX803 - KDL-40HX805 - KDL-46HX800 - KDL-46HX803 - KDL-46HX805
SERVICE MODE AND POWER SUPPLY CIRCUIT
SELF DIAGNOSIS
If an error occurs, the STANDBY LED will automatically begin
to flash.
The number of times the LED flashes translates to a probable source of the problem. If an error symptom cannot be reproduced, the remote commander can be used to review the failure occurrence data stored in memory to reveal past
problems and how often these problems occur.
The number of times the LED flashes translates to a probable source of the problem. If an error symptom cannot be reproduced, the remote commander can be used to review the failure occurrence data stored in memory to reveal past
problems and how often these problems occur.
DIAGNOSTIC TEST INDICATORS
When an error occurs, the STANDBY LED will flash a set number of times to indicate the possible cause of the problem If there is more than one error, the LED will identify the first of the problem areas. Result for all of the following diagnostic items are displayed on screen.
If the screen displays a “0”, no error has occurred .
When an error occurs, the STANDBY LED will flash a set number of times to indicate the possible cause of the problem If there is more than one error, the LED will identify the first of the problem areas. Result for all of the following diagnostic items are displayed on screen.
If the screen displays a “0”, no error has occurred .
LED BLINKING CODES
|
STBY
LED
Flash time |
Service
menu Item name
(Screen Display) |
Diagnostic
Item Description
|
|
2
|
MAIN_POWE
|
Main
Power Over Voltage Protection
|
|
3
|
DC_ALERT
|
DC_ALERT
|
|
DTT_WDT
|
DTT
Error
|
|
|
AUD_PROT
|
Audio
Abnormal Detection
|
|
|
4
|
BALANCER_
|
Panel
Balancer Error
|
|
5
|
TCON_ERR
|
T-CON
Error
|
|
HFR_ERR
|
HFR
Error
|
|
|
P_ID_ERR
|
Panel
ID NVM Error
|
|
|
6
|
BACKLITE_
|
Back
Light Error (Panel Inverter)
|
|
7
|
TEMP_ERR
|
Thermal
Error
|
|
FAN_ERR
|
FAN
Error (Not Detected. Display Only)
|
|
|
8
|
-
|
Not
used
|
|
9
|
-
|
Not
used
|
|
10
|
-
|
Not
used
|
|
11
|
-
|
Not
used
|
|
12
|
-
|
Not
used
|
|
-
|
RGB_SEN
|
RGB
Sensor ACK Error
|
SELF-DIAGNOSTIC SCREEN DISPLAY
For errors with symptoms such as “power sometimes shuts off” or “screen sometimes goes out” that cannot be confirmed, it is possible to bring up past occurrences of failure for confirmation on the screen:
For errors with symptoms such as “power sometimes shuts off” or “screen sometimes goes out” that cannot be confirmed, it is possible to bring up past occurrences of failure for confirmation on the screen:
[To Bring Up Screen Test]
In standby mode, press buttons on the remote commander sequentially in rapid succession as shown below:
In standby mode, press buttons on the remote commander sequentially in rapid succession as shown below:
DISPLAY >CHANNEL 5 >VOLUME - >POWER ON
Since the diagnostic results displayed on the screen are not
automatically cleared, always check the self-diagnostic screen. After you have
completed the repairs, clear the result display to “0”.
Clearing the Self Check Diagnostic List
1. Error history and Error count : Press the Channel 8 => Channel 0 .
2. Panel operation time : Press the Channel 7 => Channel 0 .
Exiting the Self-diagnostic screen
To exit the Self Diagnostic screen, turn off the power to the TV by pressing the POWER button on the remote or the POWER button on the TV.
1. Error history and Error count : Press the Channel 8 => Channel 0 .
2. Panel operation time : Press the Channel 7 => Channel 0 .
Exiting the Self-diagnostic screen
To exit the Self Diagnostic screen, turn off the power to the TV by pressing the POWER button on the remote or the POWER button on the TV.
HOW TO ENTERING SERVICE MODE
1) Turn on the main power switch to place this set in standby mode.
2) Press the buttons on the remote commander as follows, and entering service mode.
1) Turn on the main power switch to place this set in standby mode.
2) Press the buttons on the remote commander as follows, and entering service mode.
DISPLAY >CHANNEL 5 >VOLUME + >POWER ON
3) Service mode display.
Note: First of all, when you enter Service Mode, you can see “Digital” service mode.
Whenever you press “OPTIONS” or “JUMP” on remote, each service mode is changed.
“Digital” -> “Chassis” -> “Sub” -> “PEM”
3) Service mode display.
Note: First of all, when you enter Service Mode, you can see “Digital” service mode.
Whenever you press “OPTIONS” or “JUMP” on remote, each service mode is changed.
“Digital” -> “Chassis” -> “Sub” -> “PEM”
4) After entering service mode, then turn off the power
switch
WHITE BALANCE ADJUSTMENT
Note: Please execute this adjustment if necessary.
Change Data of “PEM” service mode
a. Select “010 WB_GAIN2_A” category by pressing “2 / 5” on remote.
b. Select “000” ~ “005” item by pressing “1 / 4” on remote.
c. Change data “0 ~ 255” by pressing “3 / 6” on remote.
d. Press “0” or “10” to save data.
It shows red “WRITE”. It indicate writing is processing.
Writing process is done after a while. (takes about a couple of seconds)
Note: Please execute this adjustment if necessary.
Change Data of “PEM” service mode
a. Select “010 WB_GAIN2_A” category by pressing “2 / 5” on remote.
b. Select “000” ~ “005” item by pressing “1 / 4” on remote.
c. Change data “0 ~ 255” by pressing “3 / 6” on remote.
d. Press “0” or “10” to save data.
It shows red “WRITE”. It indicate writing is processing.
Writing process is done after a while. (takes about a couple of seconds)
SAVE CHANGING DATA
1) Change Data of “Chassis” or “Sub” or “PEM” service mode
2) Write data for “Chassis” or “Sub” or “PEM” service mode
a. Press “Mute” on remote.
It shows green “SERVICE” changes to green “WRITE”.
b. Press “0” or “enter” on remote. Green “WRITE” changes to red “WRITE”. It indicate writing is processing.
c. After a while, red “WRITE” changes to green “SERVICE”. Writing process is done at this point.
3) TV reboot is necessary for applying data change
1) Change Data of “Chassis” or “Sub” or “PEM” service mode
2) Write data for “Chassis” or “Sub” or “PEM” service mode
a. Press “Mute” on remote.
It shows green “SERVICE” changes to green “WRITE”.
b. Press “0” or “enter” on remote. Green “WRITE” changes to red “WRITE”. It indicate writing is processing.
c. After a while, red “WRITE” changes to green “SERVICE”. Writing process is done at this point.
3) TV reboot is necessary for applying data change
CHANGE DATA
Note: “Digital” service mode don’t have to Save. (except “002 MODEL” category)
1) Change Data of “Digital” service mode. (except “003 DIG_SRV_MODE” category)
a. Press “2 / 5” on remote to select (up / down) category.
b. Press “1 / 4” on remote to select (up / down) Item.
c. Press “0 / 10” on remote to select item
Note: “Digital” service mode don’t have to Save. (except “002 MODEL” category)
1) Change Data of “Digital” service mode. (except “003 DIG_SRV_MODE” category)
a. Press “2 / 5” on remote to select (up / down) category.
b. Press “1 / 4” on remote to select (up / down) Item.
c. Press “0 / 10” on remote to select item
2) Change Data of “Digital” service mode. ( “003
DIG_SRV_MODE” category)
“003 DIG_SRV_MODE” is one category of “Digital” service mode.
Please note because this operation is special.
a. Press “2 / 5” on remote to select “003 DIG_SRV_MODE”.
b. Press “1 / 4” on remote to select (up / down) Item.
c. Press “0 / 10” on remote to select item.
d. Press number key “1”~”9” directly. “*” stamp move.
e. Press “12 / enter / select” to decide and advance next step. Press “return”,
when returning on the previous page.
“003 DIG_SRV_MODE” is one category of “Digital” service mode.
Please note because this operation is special.
a. Press “2 / 5” on remote to select “003 DIG_SRV_MODE”.
b. Press “1 / 4” on remote to select (up / down) Item.
c. Press “0 / 10” on remote to select item.
d. Press number key “1”~”9” directly. “*” stamp move.
e. Press “12 / enter / select” to decide and advance next step. Press “return”,
when returning on the previous page.
3) Write data for “Digital” service mode. ( “002
MODEL” category)
Note: This procedure operation, when replaced the B board.
Note: Do not write a wrong segment or destination information in Product ID.
When the wrong setting is written, TV may not operate.
000 SEG ・・・ Product ID - segment information
001 DEST・・・ Product ID – destination information
a. Change data for each model.
b. Press “0” or “enter” on remote.
It shows red “WRITE”. It indicate writing is processing.
c. Writing process is done at this point
Note: This procedure operation, when replaced the B board.
Note: Do not write a wrong segment or destination information in Product ID.
When the wrong setting is written, TV may not operate.
000 SEG ・・・ Product ID - segment information
001 DEST・・・ Product ID – destination information
a. Change data for each model.
b. Press “0” or “enter” on remote.
It shows red “WRITE”. It indicate writing is processing.
c. Writing process is done at this point
SET TO SHIPPING CONDITION
How to do shipping condition.
a. Move to “Digital” service mode.
Press “8” on remote.
It shows green “SERVICE” changes to green “RST-”.
Press “mute” on remote.
Added green “EXE” after green “RST-” .
d. Press “0” or “enter” on remote. Green “EXE-RST” changes to red “EXE-RST”. It indicate writing is processing.
After a while, red “EXE-RST” changes to green “SERVICE”.
And all LED lights.
Writing process is done at this point
How to do shipping condition.
a. Move to “Digital” service mode.
Press “8” on remote.
It shows green “SERVICE” changes to green “RST-”.
Press “mute” on remote.
Added green “EXE” after green “RST-” .
d. Press “0” or “enter” on remote. Green “EXE-RST” changes to red “EXE-RST”. It indicate writing is processing.
After a while, red “EXE-RST” changes to green “SERVICE”.
And all LED lights.
Writing process is done at this point
Another
way
You can set to shipping condition w/o entering Service Mode. -> “Cursor Up” on remote + “Power Key” on Front panel.
You can set to shipping condition w/o entering Service Mode. -> “Cursor Up” on remote + “Power Key” on Front panel.
CHANGE THE EMITTER OUTPUT LEVEL
Note: To reduce the emitter LED output power strength.
Change Data of “PEM” service mode
a. Select “009 3D” category by pressing “2 / 5” on remote.
b. Select “000 EMIT_STR” item by pressing “1 / 4” on remote.
c. Change data from “0” to “1” by pressing “3 / 6” on remote.
0: Strong (Default)
1: Weak
d. Save & Reboot
Note: To reduce the emitter LED output power strength.
Change Data of “PEM” service mode
a. Select “009 3D” category by pressing “2 / 5” on remote.
b. Select “000 EMIT_STR” item by pressing “1 / 4” on remote.
c. Change data from “0” to “1” by pressing “3 / 6” on remote.
0: Strong (Default)
1: Weak
d. Save & Reboot
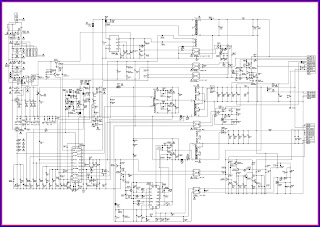
POWER SUPPLY CIRCUIT
POWER FOR 40 INCH
POWER FOR 46 INCH
PART 1
PART 2
CLICK ON THE IMAGES TO ZOOM IN



