AOC LE32D144-20
SERVICE MODE AND POWER SUPPLY CIRCUIT
SERVICE MODE
HOW TO ENTER TO SERVICE MODE OF AOC
To enter to service mode press the following buttons in sequence
Press "Menu > 1 > 9 > 9 > 9 > Back"
Adjustment
White Balance Adjustment
1. In Component signal mode, Signal generator will select Tim 314, Pattern 141(80% White);
2. ENTER TO SERVICE MODE
White Balance Adjustment
1. In Component signal mode, Signal generator will select Tim 314, Pattern 141(80% White);
2. ENTER TO SERVICE MODE
3. Move the cursor to Current Source and choose component;
Move the cursor to Color temp and choose color temp(Cool, Normal, Warm), Move the cursor to the Gain and adjust
RGB parameters to make the color temperature value within the cool color temperature
specifications
Firmware Instruction
Step 1: Ready for F/W Upgrade
1.1 Change the software file name to “install.img”.
1.2 Prepare a USB memory. Copy the file “install.img” from your computer to the USB memory root directory, and remove it from computer’s USB port.
1.1 Change the software file name to “install.img”.
1.2 Prepare a USB memory. Copy the file “install.img” from your computer to the USB memory root directory, and remove it from computer’s USB port.
Step 2: F/W Upgrade
2.1 Insert USB flash disk into TV’S USB
2.1 Insert USB flash disk into TV’S USB
2.2 AC on the TV, the indicator light will shine
after about tens of seconds, and the software will update automatically.
TV will auto restart after update the software.
2.3 After restart, press “menu+1999+back” keys in remote control into the factory menu. Check the version of MCU, and restart, software update is completed.
TV will auto restart after update the software.
2.3 After restart, press “menu+1999+back” keys in remote control into the factory menu. Check the version of MCU, and restart, software update is completed.
REAR COVER REMOVAL .
TROUBLE SHOOTING
No power
Power board output=5V? >Replace the power
board
Check the IR board and LED
Replace the IR board
Replace the main board
Abnormal display
Enter factory mode to do “EEPROM
initial”&“Reset”
Check the main board
Check the LVDS cable
Check the panel
Sound problem
Check the TV is muted, adjust the volume or
enter the menu to reset?
Enter factory mode to do “Reset”
Check the speaker resistance value is in spec (Remark:
The value is marked on the speaker)?
WILL NOT START
Power board output=12/24V?
Check the power key is under control?
Check the IR receiver is normal?
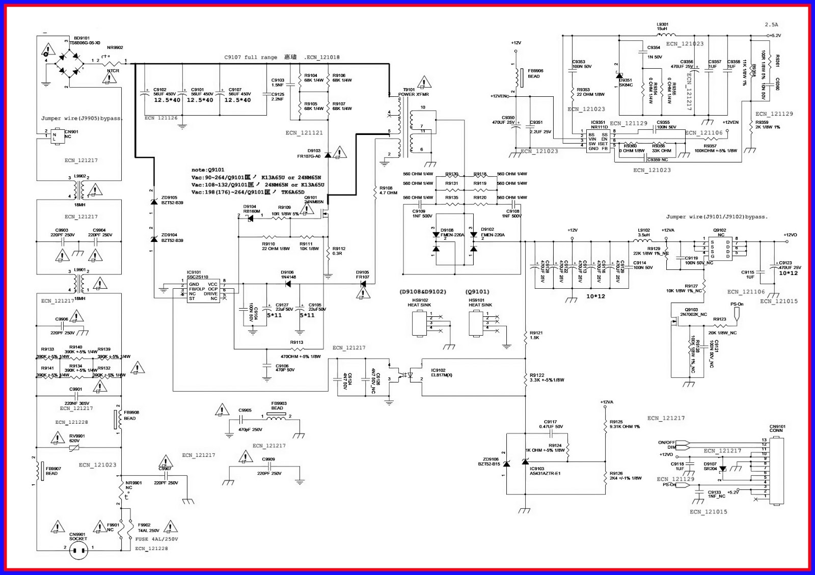
POWER SUPPLY CIRCUIT
CLICK ON THE IMAGE TO ZOOM IN



