JVC XV-BP1C -XV-BP1UJ
BLU RAY PLAYER
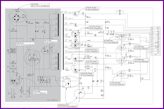
TROUBLESHOOTING AND POWER SUPPLY CIRCUIT
TROUBLESHOOTING
RESET OR POWER CHECK
Check it after connecting the power cable only
on interface cable for NO Reset or Power ON.
Are the pin1 of lpb801+5V, pin4 of lpb801+12V
respectively after the power cable connecting? >check the power (5V/12V)
signal path from smps. Repair the smps block
<Power> is the pin2 of lic901 3.3V? >
check the lic901 and lic901 input voltage 5V (pin#3)
<Power> is the pin2 of lic903 1.2V? >
check the lic902 and lic902 input voltage 3.3V (pin#3)
Does the pin120 (Reset in) of lic501 change 0V
to 1.63V at the power supply initial input mode? > check the aVcc 5volt and
Reset circuit. (lR5b0,lR5b1,lc5b0)
Are the lX501 oscillating? > check the
lX501(25mhz), check the lic501
<Reference> 1.65V (V14ref) : check pin1
of lic501 2.2V (VFVReF) : check pin2 of lic501 2.2V (VhaVc) : check pin3 of lic501
> check the lic501
SYSTEM CHECK
Does pick-up move to inside or outside?
Does pick-up lens move up/down?
Does laser turn on?
Does bd/dVd-Rom disc play rightly?
TRAY OPERATING IS ABNORMAL
Is there tray control signal input? (lic201
pin41) > is there tray control signal output? (lic501 pin55) > check the
connection from lic501 pin55. to lic201 pin4. > Check the serial flash
operation.,Check the SATA communication between b/end mpeg chip.
Is there tray drive voltage output? (lic201
pin27,28) > check the lic201
Is there tray drive voltage output? (loading
motor) > check the connector lpF301 and FFc cable connection.
SLED OPERATING IS ABNORMAL
Is there sled control signal output? (lic501
pin56,57) > Replace the lic501.
Is there sled drive voltage input? (lic201
pin2,3 ) > check the pcb pattern and components between lic501 and lic201
sled signals
Is there sled drive voltage output? (lic201
pin6,8,9,10) > check the lic201.
Is there sled drive voltage output? (lpm302
pin1,2,3,4) > Replace the sled motor.
SPINDLE OPERATING IS ABNORMAL
Is there spindle control output? (lic501 pin58)
> Replace the lic501
Is there spindle drive voltage output? (lic201
pin12, 13,14,16) > is there Fg signal
input? (lic501 pin96) > Check the output of LIC201 Pin19. Check the
connector LPM301. Replace the LIC201.
Is there spindle motor input voltage? (lpm301 pin3,4,5,6)
> Replace the spindle motor. (traverse assembly)
FOCUS ACTUATOR OPERATING IS
ABNORMAL
Is there focus search control signal input? (lic201
pin40) > Check the connection of LIC501 Pin54. Replace the LIC501.
Is there focus search drive voltage output? (lic201
pin34,35) > check the lic201
Check the connection lcn700 pin1,2. > check
the signal pattern and application components
Replace the traverse assembly. (pick-up)
LASER OPERATING IS ABNORMAL
Does laser turn on? > Replace the traverse
assembly and scan the pick-up barcode. > check the main pcb pick-up interface
circuit
Is there ldd vcc voltage input? (lic201 pin32,
33) > pin32 : check the 5V path. pin33 : check the 8.1V path and lic902
operation
Check the ldd data signals. (lcn700
pin39,40,41,42) > is there ldd data signal communication? (lic501
pin44,45,46, 90) > check the signal pattern and
application components > Replace the lic501.
application components > Replace the lic501.
Check the connector lcn700 and pick-up FFC cable
connection
Replace the traverse assembly. (pick-up)
HOW TO USE THE BAR-CODE SCAN TOOL
Bar-code scan tool inserts the bar-code values (including skew, Read power, HFM, ld power and so on) to
the Flash-Rom in the loader main board. so, in case of changing the traverse assembly or loader main board,
it is required to pick-up bar-code scan procedure.
Bar-code scan tool inserts the bar-code values (including skew, Read power, HFM, ld power and so on) to
the Flash-Rom in the loader main board. so, in case of changing the traverse assembly or loader main board,
it is required to pick-up bar-code scan procedure.
BAR-CODE SCAN SYSTEM CONFIGURATION
in order to insert bar-code values (including skew, Read power, hFm, ld power and so on), the following
equipments are needed.
Compulsory equipments
1) personal computer
2) bar-code scan tool (loader tester)
3) 2d bar-code scanner
4) target loader ass’y
5) usb to sata connector
6) power supply
in order to insert bar-code values (including skew, Read power, hFm, ld power and so on), the following
equipments are needed.
Compulsory equipments
1) personal computer
2) bar-code scan tool (loader tester)
3) 2d bar-code scanner
4) target loader ass’y
5) usb to sata connector
6) power supply
PICK-UP BAR-CODE SCAN TOOL
CONFIGURATION.
The loader tester is the application tool for Fa test and also bar-code scan.
The bar-code scan is the one of functions in the loader tester.
Therefore the bar-code scan users should check “only bar code” up in the loader tester.
Loader tester program consists of total 2 files.
Setup.exe
Setup.exe.txt
Setup.exe file is the installation file.
After you install the loader tester program, the LoaderTest.exe file will appear in the wallpaper(background) of windows.
LoaderTester.exe is a program execution file.
Setup.exe.txt is the install Report file.
The loader tester is the application tool for Fa test and also bar-code scan.
The bar-code scan is the one of functions in the loader tester.
Therefore the bar-code scan users should check “only bar code” up in the loader tester.
Loader tester program consists of total 2 files.
Setup.exe
Setup.exe.txt
Setup.exe file is the installation file.
After you install the loader tester program, the LoaderTest.exe file will appear in the wallpaper(background) of windows.
LoaderTester.exe is a program execution file.
Setup.exe.txt is the install Report file.
RUNNING BAR-CODE SCAN TOOL
When running “loadertester.exe” file in the wallpaper(background) of windows, the following screen appears.
Before you start to click “start” button, remind these.
1) “test mode start” should be selected.
2) check “only bar code”
3) click “start”
When running “loadertester.exe” file in the wallpaper(background) of windows, the following screen appears.
Before you start to click “start” button, remind these.
1) “test mode start” should be selected.
2) check “only bar code”
3) click “start”
BAR-CODE SCAN PROCEDURE
1) untie the screw of loader.
2) connect the “usb to sata connector” and “sata power” to the loader.
3) connect the “usb to sata connector” to the pc.
4) connect the “bar-code scanner” to the pc.
5) Run the bar-code scan tool (loader tester).
6) click “start” button
1) untie the screw of loader.
2) connect the “usb to sata connector” and “sata power” to the loader.
3) connect the “usb to sata connector” to the pc.
4) connect the “bar-code scanner” to the pc.
5) Run the bar-code scan tool (loader tester).
6) click “start” button
(tip. if drive can not be detected, please
plug off and on again the “usb to sata connector” to the pc and
wait for 15 seconds.)
7) sled will move the innermost.
8) Focus on the target of bar-code and pull the trigger of bar-code scanner until bar-code can be scanned
to the bar-code scan tool (loader tester)
9) if bar-code scan succeeds, “ ok” will display in the result windows.
however, bar-code scan fails, “ng” will display in the result windows.
In case you got “ ng” result, please check procedure up from 2 to 8. then try it again.
wait for 15 seconds.)
7) sled will move the innermost.
8) Focus on the target of bar-code and pull the trigger of bar-code scanner until bar-code can be scanned
to the bar-code scan tool (loader tester)
9) if bar-code scan succeeds, “ ok” will display in the result windows.
however, bar-code scan fails, “ng” will display in the result windows.
In case you got “ ng” result, please check procedure up from 2 to 8. then try it again.
INTERNAL STRUCTURE OF THE PICK-UP
POWER SUPPLY CIRCUIT
CLICK OM THE IMAGES TO ZOOM IN


