SAMSUNG LE26A41B - LE32A41B
SERVICE MODE TROUBLESHOOTING AND POWER SUPPLY CIRCUIT
Factory Mode Adjustments
Entering Factory Mode
1. To enter “Service Mode” Press the remote -control keys in this sequence :
If you do not have Factory remote – control
Entering Factory Mode
1. To enter “Service Mode” Press the remote -control keys in this sequence :
If you do not have Factory remote – control
POWER OFF > INFO > MENU > MUTE >POWER ON
- The buttons are active in the service mode.
1. Remote - Control Key : Power, Arrow Up, Arrow Down, Arrow Left Arrow Right, Menu, Enter, Number Key(0-9)
2. Function - Control Key : Power, CH +, CH -, VOL +, VOL -, Menu, TV/VIDEO(Enter)
1. Remote - Control Key : Power, Arrow Up, Arrow Down, Arrow Left Arrow Right, Menu, Enter, Number Key(0-9)
2. Function - Control Key : Power, CH +, CH -, VOL +, VOL -, Menu, TV/VIDEO(Enter)
White Balance Adjustment
1. In factory mode you can adjust the white balance.
2. As the adjustment and data values differ depending on input sources, different adjustments are requried for RF, PC/DVI modes.
3. Optimum condition data for each mode are saved as default values.
4. As the RF mode is applied with the same vlaues as for VIDEO and S-VIDEO, adjustment can be made in any of RF, VIDEO and S-VIDEO modes.
1. In factory mode you can adjust the white balance.
2. As the adjustment and data values differ depending on input sources, different adjustments are requried for RF, PC/DVI modes.
3. Optimum condition data for each mode are saved as default values.
4. As the RF mode is applied with the same vlaues as for VIDEO and S-VIDEO, adjustment can be made in any of RF, VIDEO and S-VIDEO modes.
Conditions for Measurement
1. On the basis of toshiba ABL pattern : High Light level (57 IRE)
- INPUT SIGNAL GENERATOR : MSPG-925LTH
# Mode NO 2 : 750X480@60 Hz
NO 6 : 1280X720@60 Hz
NO 21 : 1024X768@60 Hz
# Pattern NO 85 : 16 Color Bar Pattern
NO 16 : Toshiba ABL Pattern
2. Optical measuring device : CA210 (FL)
Please use the MSPG-925 LTH generator for model LW26A33W.
Method of Adjustment
Adjust the basic level of DTV and PC input signals.
a) Set the input to the mode in which the adjustment will be made (PC).
# Input signal - PC Mode : Model #21 (1024*768 Mode), Pattern #16
b) Enter factory Calibration, confirm the ADC data (PC Mode Only).
# ADC default value
1. On the basis of toshiba ABL pattern : High Light level (57 IRE)
- INPUT SIGNAL GENERATOR : MSPG-925LTH
# Mode NO 2 : 750X480@60 Hz
NO 6 : 1280X720@60 Hz
NO 21 : 1024X768@60 Hz
# Pattern NO 85 : 16 Color Bar Pattern
NO 16 : Toshiba ABL Pattern
2. Optical measuring device : CA210 (FL)
Please use the MSPG-925 LTH generator for model LW26A33W.
Method of Adjustment
Adjust the basic level of DTV and PC input signals.
a) Set the input to the mode in which the adjustment will be made (PC).
# Input signal - PC Mode : Model #21 (1024*768 Mode), Pattern #16
b) Enter factory Calibration, confirm the ADC data (PC Mode Only).
# ADC default value
Adjust the white balance of RF, DTV and PC Modes.
a) Set the input to the mode in which the adjustment will be made (RF DTV PC).
# Input signal - VIDEO Mode : Model #1 (750*480 Mode), Pattern #16
- PC Mode : Model #21 (1024*768 Mode), Pattern #16
b) Enter factory color control, confirm the data.
a) Set the input to the mode in which the adjustment will be made (RF DTV PC).
# Input signal - VIDEO Mode : Model #1 (750*480 Mode), Pattern #16
- PC Mode : Model #21 (1024*768 Mode), Pattern #16
b) Enter factory color control, confirm the data.
Alignments
and Adjustments
c) Adjust the low light. (Refer to table 1, 2 in
adjustment position by mode)
- Adjust sub - Brightness to set the 'Y' value.
- Adjust red offset ('x') and blue offset ('y') to the color coordinates.
# Do not adjust green offset data.
- Adjust sub - Brightness to set the 'Y' value.
- Adjust red offset ('x') and blue offset ('y') to the color coordinates.
# Do not adjust green offset data.
d) Adjust the high light. (Refer to table 1, 2
in adjustment position by mode)
- Adjust red gain ('x') and blue gain ('y') to the color coordinates.
# Do not adjust the green gain and sub-contrast (Y) data.
- Adjust red gain ('x') and blue gain ('y') to the color coordinates.
# Do not adjust the green gain and sub-contrast (Y) data.
MDIN-150
# Control the specify item that a output signals (RF, CVBS, S-VHS Modes) of MDIN-150 (IC405).
# This data can be changed without notice.
Test Pattern
# Use below test patters to demonstrate the image display of PW565 (IC602).
1) Luma Ramp (16 step)
2) Luma Ramp (128 Step)
3) White 16
4) White 240
5) Color Bar
6) RGB Ramp (32 Step)
Check sum
# XXXX : Displays the current check sum size of the MICOM. (Varies depending on program update) Reset
# Initializes the data in the MICOM. (Set to default value)
Use ‘Reset’ to restore adjustmints made in Factory Mode to the original settings.
T_NPL26PEU_0130 03/08/2004 18:34:23
# Displays the MICOM program version
# Control the specify item that a output signals (RF, CVBS, S-VHS Modes) of MDIN-150 (IC405).
# This data can be changed without notice.
Test Pattern
# Use below test patters to demonstrate the image display of PW565 (IC602).
1) Luma Ramp (16 step)
2) Luma Ramp (128 Step)
3) White 16
4) White 240
5) Color Bar
6) RGB Ramp (32 Step)
Check sum
# XXXX : Displays the current check sum size of the MICOM. (Varies depending on program update) Reset
# Initializes the data in the MICOM. (Set to default value)
Use ‘Reset’ to restore adjustmints made in Factory Mode to the original settings.
T_NPL26PEU_0130 03/08/2004 18:34:23
# Displays the MICOM program version
How to use SW(FlashupgradNT) for LW26A33W Set program update
1. Store program practice file in new folder.
2. Connect Set and Jig Cable to execute Program Update.
3. After completing the JIG Cable connection, store Update practice program (hex file 3EA) in new folder. (guiR, romcode, factoryGui).
4. Click FlashupgradNT.exe icon 2 times and execute it. (Upgrader OSD screen is marked)
1. Store program practice file in new folder.
2. Connect Set and Jig Cable to execute Program Update.
3. After completing the JIG Cable connection, store Update practice program (hex file 3EA) in new folder. (guiR, romcode, factoryGui).
4. Click FlashupgradNT.exe icon 2 times and execute it. (Upgrader OSD screen is marked)
6. Click the “Flash” that is under right of OSD
screen.
(if warning message comes out, Click the “Yes”(Y).)
(if warning message comes out, Click the “Yes”(Y).)
7. After acting No.6, extract Set’s Power Cable
and connect it again.
8. During acting No.7, program Update sledding is marked sequentially on OSD screen.
9. After Program Update completion, act NO.7 again.
10. Program Update is completed.
8. During acting No.7, program Update sledding is marked sequentially on OSD screen.
9. After Program Update completion, act NO.7 again.
10. Program Update is completed.
<Attachment: JIG Cable Connection Explain>
1. Connect with PC Pattern Generator’s output.
(Connect only when you want to see PC screen.)
2. Connect with JIG Output (15 pins) and PC Input (PC/DVI 24 pins) terminal.
3. Connect with COM Port1 of PC (9 Pins).
4. Connect 14V 4.5A Adaptor Cable.
1. Connect with PC Pattern Generator’s output.
(Connect only when you want to see PC screen.)
2. Connect with JIG Output (15 pins) and PC Input (PC/DVI 24 pins) terminal.
3. Connect with COM Port1 of PC (9 Pins).
4. Connect 14V 4.5A Adaptor Cable.
Troubleshooting
No Power
Does proper DC 12V appear at C812, C813, C814?
> Change a Assy PCB Power. (BN94-00443F)
Does proper DC A3.3V, A5V, A1.8V appear at C873,
C861, C884? > Check a IC816, IC814, IC818. Change a main PCB ass'y. (BN94-00539A)
Does proper DC 5V, 3.3V, 2.5V, 9VS, A1.8V appear
at C831, C835, C850, C895, C884? > Check a IC811, IC812, IC813, IC606,
IC818. Change a main PCB ass'y. (BN94-00539A)
Does proper DC 33V, 1.2V_SNI_D, 1.2V_SNI_PLL,
3.3V_SNI_D, 3.3_SNI_PLL, +3.3V_MD, +2.5V_MD1, MDIN_APLL, MDIN_DPLL appeart at
C827, C865, C878, C551, C570, C416, C429, C447, C451? > Check a IC812,
IC815, IC817, FT522, FT512, FT406, FT407, FT410, FT411. Change a main PCB
ass'y. (BN94-00539A)
No Video (Analog PC Signal)
Does the signal appear at #54, 48, 43 (R, G, B)
of IC101? > Check IC101, PC cable. Change a PC cable. Change a main PCB
ass'y (BN94-00539A).
Does the digital data appear at output of RA101~RA104,
RA106, RA107? > Check a IC101. Change a main PCB ass'y (BN94-00539A).
Does the digital data appear at output of RA605,
RA606, RA608, RA611, RA613, RA615? > Check a IC602, IC601. Change a main PCB
ass'y (BN94-00539A).
Does the digital data appear at output of RA512,
RA514, RA516, RA518, RA520, RA521? > Check a IC501. Change a main PCB ass'y (BN94-00539A).
Does the digital data appear at output of
FT516~FT520? > Check a IC515. Change a main PCB ass'y (BN94-00539A).
No Video (DVI-Digital Signal)
Does the digital data appear at #80, #81, #85,
#86, #90~#94 of IC102(Data, Clk +/-)? > Check a DVI-D cable.
Does the digital data appear at output of RA111~RA112,
RA123~RA126? > Check a IC102 Change a main PCB ass'y (BN94-00549A).
Does the digital data appear at output of
RA605~RA606, RA608, RA611, RA613, RA615? > Check a IC501. Change a main PCB
ass'y (BN94-00549A).
Does the digital data appear at output of
FT516~FT520? > Check a IC515. Change a main PCB ass'y (BN94-00549A).
Check a LVDS cable? Replacea lcd panel? (BN07-00121A)
No Sound
Does the signal appear at Pin 67 (Tuner Sound
signal) and Pin 56, 57 (CH1_L, R Sound) and Pin 53, 54 (CH2_L, R Sound) of
IC703 (MSP3410G)? > Check a connection harness and headphone jack.
Check the DC 8V, 9VS, 9V of IC703, IC701? >
Check a IC809, IC606, IC811 and IC810. Change a main PCB ass'y (BN94-00549A).
Does the signal appear at L701 -L704 ? >
Check a IC701. Change a main PCB ass'y (BN94-00549A).
Replace the speaker ass'y? (BN96-01015A(L),
BN96- 01016(R))
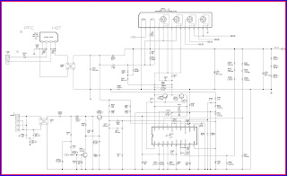
POWER SUPPLY CIRCUIT
CLICK ON THE IMAGE TO ZOOM IN




