SONY KDL-52XBR9
SERVICE MODE – BACK COVER REMOVAL – LED BLINKING – POWER SUPPLY CIRCUIT
Diagnostic Test Indicators
When an error occurs, the POWER/STANDBY LED indicator will flash a set number of times to indicate the possible cause of the problem. If there is
more than one error, the indicator will identify the fi rst of the problem areas.
When an error occurs, the POWER/STANDBY LED indicator will flash a set number of times to indicate the possible cause of the problem. If there is
more than one error, the indicator will identify the fi rst of the problem areas.
Description of LED Indictors
LED
|
LED COLOR
|
DESCRIPTION
|
PIC
OFF/TIMER
|
Orange
or Green
|
Lights
up in orange when the Timer or Sleep Timer is
set. Lights up and/or blinks in orange during a software upgrade. Lights up in green when the Power Saving is set to Picture Off. |
HD
SIGNAL
|
Orange
|
Lights
up when the TV receives HD signal including up
converted signals. |
POWER/STANDBY
|
Green or Red |
Lights
up in red when your TV is in PC power saving
mode or during the software upgrade. Lights up in green when the TV is turned on. If the LED blinks in red continuously, this may indicate that the TV needs servicing. |
POWER/STANDBY LED Diagnostic Description
Diagnostic Item Description
|
Number of times
POWER/STANDBY LED lamp flashes |
Possible Location
|
Main
Power
|
2 times
|
G6N
Board (40") G7N Board (46" & 52") Board
|
DC
Alert1
|
3 times
|
BU
Board
G6N Board (40") G7N Board (46" & 52") Board |
DC
Alert3
|
5 times
|
Not
used in these models
|
Backlight
|
6 times
|
BU
Board
G6N Board (40") G7N Board (46" & 52") Board Inverter Boards -D1N Board & D2N Board (40" & 46"), D4N Board & D5 Board (52") |
Temp
Err
|
7 times
|
BU
Board
|
Audio
Prot
|
8 times
|
BU
Board
|
Fan Err
|
9 times
|
Not
used in these models
|
DTT WDT
|
10
times
|
Watch
Dog Timer used to track micro processors, not to record errors.
|
Trident
IC
|
11
times
|
BU
Board
|
HFR Err
|
12
times
|
LCD
Panel
|
Balancer
|
13
times
|
LCD
Panel
|
TCON Err
|
14 times
|
Inverter
Boards -D1N Board & D2N Board (40" & 46"), D4N Board &
D5 Board (52")
LCD Panel |
Viewing the Self Check Diagnostic List
1. TV must be in standby mode. (Power off).
2. Press the following buttons on the Remote Commander within a second of each other:
DISPLAY > Channel 5 > Volume - > TV POWER
1. TV must be in standby mode. (Power off).
2. Press the following buttons on the Remote Commander within a second of each other:
DISPLAY > Channel 5 > Volume - > TV POWER
3. To display page 2, press 4 .
4. To display page 1, press 1 .
5. To exit Self Check display, turn the power off.
Clearing the Self Check Diagnostic List
1. In Service Mode, press the Channel 8 Channel 0 .
5. To exit Self Check display, turn the power off.
Clearing the Self Check Diagnostic List
1. In Service Mode, press the Channel 8 Channel 0 .
HOW TO REMOVE THE BACK COVER OF THE TV
1 Remove 14 screws from Rear Cover
2 Remove 1 screw from Side Jack position
3 Remove 1 screw from Terminal position
4 Remove 4 screws near the VESA positions
5 Remove 4 screws from Bottom Frame positions
6 Carefully lift the Rear Cover bottom side up and rotate toward top side
7 Release from clamp and remove Rear Cover from Front Cabinet Assembly
NOTE: The Rear Cover is attached to Front Cabinet Assembly with a small clamp. Use caution when removing the Rear Cover not to damage this clamp. To re-install the Rear Cover, press to lock the clamp into positions.
2 Remove 1 screw from Side Jack position
3 Remove 1 screw from Terminal position
4 Remove 4 screws near the VESA positions
5 Remove 4 screws from Bottom Frame positions
6 Carefully lift the Rear Cover bottom side up and rotate toward top side
7 Release from clamp and remove Rear Cover from Front Cabinet Assembly
NOTE: The Rear Cover is attached to Front Cabinet Assembly with a small clamp. Use caution when removing the Rear Cover not to damage this clamp. To re-install the Rear Cover, press to lock the clamp into positions.
CLEANING THE LCD PANEL
CAUTION: When cleaning the TV, be sure to unplug the power cord to avoid any chance of electric shock.
Clean the cabinet of the TV with a dry soft cloth.
Wipe the LCD screen gently with a soft cloth.
Stubborn stains may be removed with a cloth slightly moistened with a solution of mild soap and warm water.
If using a chemically pretreated cloth, please follow the instruction provided on the package.
Never use strong solvents such as a thinner, alcohol or benzine for cleaning.
Periodic vacuuming of the ventilation openings is recommended to ensure to proper ventilation.
CAUTION: When cleaning the TV, be sure to unplug the power cord to avoid any chance of electric shock.
Clean the cabinet of the TV with a dry soft cloth.
Wipe the LCD screen gently with a soft cloth.
Stubborn stains may be removed with a cloth slightly moistened with a solution of mild soap and warm water.
If using a chemically pretreated cloth, please follow the instruction provided on the package.
Never use strong solvents such as a thinner, alcohol or benzine for cleaning.
Periodic vacuuming of the ventilation openings is recommended to ensure to proper ventilation.
VIEWING SERVICE ADJUSTMENT DATA
There are no adjustments necessary for these models. All data has
been set for optimal viewing for our customers. The following sections
are for informational purposes only.
ACCESSING SERVICE ADJUSTMENT MODE
1. TV must be in standby mode. (Power off).
2. Press the following buttons on the Remote Commander within a
second of each other:
DISPLAY > Channel 5 > Volume + > TV POWER
There are no adjustments necessary for these models. All data has
been set for optimal viewing for our customers. The following sections
are for informational purposes only.
ACCESSING SERVICE ADJUSTMENT MODE
1. TV must be in standby mode. (Power off).
2. Press the following buttons on the Remote Commander within a
second of each other:
DISPLAY > Channel 5 > Volume + > TV POWER
3. To display the second Service Menu, press
JUMP on the Remote Commander.
USING THE REMOTE COMMANDER TO VIEW SERVICE DATA
Use the buttons on the Remote Commander to access the service menu items and adjust the data values.
1. Access Service Mode.
Use the buttons on the Remote Commander to access the service menu items and adjust the data values.
1. Access Service Mode.
2. To change the category, press 2 or 5 on the
Remote Commander.
Note: Pressing 2 or 5 only changes the categories within the service menu displayed.
To change a category on one of the other service menus, press the JUMP button until the correct service menu is displayed.
3. To change the adjustment item, press 1 or 4 on the Remote Commander.
4. To exit service mode, turn the power off.
Note: Pressing 2 or 5 only changes the categories within the service menu displayed.
To change a category on one of the other service menus, press the JUMP button until the correct service menu is displayed.
3. To change the adjustment item, press 1 or 4 on the Remote Commander.
4. To exit service mode, turn the power off.
SETTING THE DESTINATION AFTER REPLACING THE BU
BOARD
By default, the data value set for the Destination information on the replacement BU Board is set to 3 for US and Canada models. To change the destination to 17 for Mexico and Latin America models, use the following steps:
1. Access Service Mode.
By default, the data value set for the Destination information on the replacement BU Board is set to 3 for US and Canada models. To change the destination to 17 for Mexico and Latin America models, use the following steps:
1. Access Service Mode.
2. To display the Chassis menu, press JUMP on
the Remote Commander.
3. For Mexico and Latin America models only,
press Channel 3 until the data value of the DESTINATION is set to 17.
CAUTION: Verify the DESTINATION is set to 17
before proceeding to the next step. If another destination data value is
selected, it may possibly corrupt the software which would require a BU Board replacement.
4. To write the data press MUTE, and then
press Channel 0 .
5. To set the data to provide the correct auto
programming options, press Channel 8 , then press MUTE, and then press Channel
0 .
6. Go through the initial setup and verify
that the South American regions display.
RESETTING TO FACTORY DEFAULTS
Use the following instructions to restore the User Controls and Channel Memory settings to the preset factory conditions.
1. While holding down the UP BUTTON on the Remote Commander, press the POWER button on the Front Panel of the set. The set restarts and displays the initial setup screen. This may take several minutes.
Use the following instructions to restore the User Controls and Channel Memory settings to the preset factory conditions.
1. While holding down the UP BUTTON on the Remote Commander, press the POWER button on the Front Panel of the set. The set restarts and displays the initial setup screen. This may take several minutes.
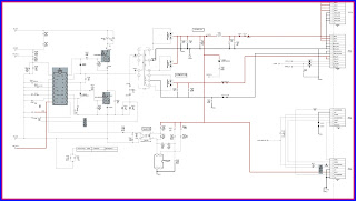
POWER SUPPLY CIRCUIT
CLICK ON THE IMAGE TO ZOOM IN
MY EXPERTISE
SONY KV32XBR45
CONVERGENCE PROBLEM
SYAMPTOM
KV32XBR45 convergence is way off in the horizontal
direction
SOLUTION
Unit has an open R789 a 18 meg 1/2 watt resistor for the Horizontal static convergence. The tech will have to make a resistor out of 3, 6.2 meg resistors.
Unit has an open R789 a 18 meg 1/2 watt resistor for the Horizontal static convergence. The tech will have to make a resistor out of 3, 6.2 meg resistors.



