POWERED SUBWOOFER
INFINITY SW12
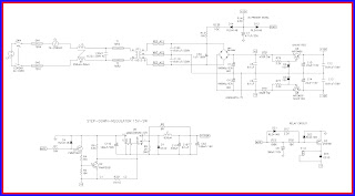
CIRCUIT DIAGRAM
OPERATION
Power On
Plug your subwoofer’s AC cord into a wall outlet. Do not use the outlets on the back of the receiver. Initially set the Subwoofer Level (Volume) Control to the “min”position. Turn on your sub by pressing the Power Switch on the rear panel.
Auto On/Standby
With the Power Switch ‹ in the ON position, the Power Indicator LED will remain backlit in red or green to indicate the On/Standby mode of the subwoofer. RED = STANDBY (No signal detected, Amp Off) GREEN = ON (Signal detected, Amp On) The subwoofer will automatically enter the Standby mode after approximately 10 minutes when no signal is detected from your system.The subwoofer will then power ON instantly when a signal is detected. During periods of normal use, the Power Switch can be left on.You may turn off the Power Switch for extended periods of nonoperation, e.g., when you are away on vacation.
Adjust Gain
Turn on your entire audio system and start a CD or movie soundtrack at a moderate level.Turn up the Subwoofer Level (Volume) Control about half way. If no sound emanates from the subwoofer, check the AC-line cord and input cables. Are the connectors on the cables making proper contact? Is the AC plug connected to a “live”receptacle? Has the Power Switch been pressed to the “On”position? Once you have confirmed that the subwoofer is active, proceed by playing a CD, record or cassette. Use a selection that has ample bass information. Set the overall volume control of the preamplifier or stereo to a comfortable level. Adjust the Subwoofer Level (Volume) Control until you obtain a pleasing blend of bass. Bass response should not overpower the room but rather be adjusted so there is a harmonious blend across the entire musical range. Many users have a tendency to set the subwoofer volume too loud, adhering to the belief that a subwoofer is there to produce lots of bass.This is not entirely true. A subwoofer is there to enhance bass, extending the response of the entire system so the bass can be felt as well as heard. However, overall balance must be maintained or the music will not sound natural. An experienced listener will set the volume of the subwoofer so its impact on bass response is always there but never obtrusive.
Plug your subwoofer’s AC cord into a wall outlet. Do not use the outlets on the back of the receiver. Initially set the Subwoofer Level (Volume) Control to the “min”position. Turn on your sub by pressing the Power Switch on the rear panel.
Auto On/Standby
With the Power Switch ‹ in the ON position, the Power Indicator LED will remain backlit in red or green to indicate the On/Standby mode of the subwoofer. RED = STANDBY (No signal detected, Amp Off) GREEN = ON (Signal detected, Amp On) The subwoofer will automatically enter the Standby mode after approximately 10 minutes when no signal is detected from your system.The subwoofer will then power ON instantly when a signal is detected. During periods of normal use, the Power Switch can be left on.You may turn off the Power Switch for extended periods of nonoperation, e.g., when you are away on vacation.
Adjust Gain
Turn on your entire audio system and start a CD or movie soundtrack at a moderate level.Turn up the Subwoofer Level (Volume) Control about half way. If no sound emanates from the subwoofer, check the AC-line cord and input cables. Are the connectors on the cables making proper contact? Is the AC plug connected to a “live”receptacle? Has the Power Switch been pressed to the “On”position? Once you have confirmed that the subwoofer is active, proceed by playing a CD, record or cassette. Use a selection that has ample bass information. Set the overall volume control of the preamplifier or stereo to a comfortable level. Adjust the Subwoofer Level (Volume) Control until you obtain a pleasing blend of bass. Bass response should not overpower the room but rather be adjusted so there is a harmonious blend across the entire musical range. Many users have a tendency to set the subwoofer volume too loud, adhering to the belief that a subwoofer is there to produce lots of bass.This is not entirely true. A subwoofer is there to enhance bass, extending the response of the entire system so the bass can be felt as well as heard. However, overall balance must be maintained or the music will not sound natural. An experienced listener will set the volume of the subwoofer so its impact on bass response is always there but never obtrusive.
Crossover Adjustments
NOTE: This control will have no effect if the Normal/LFE Selector Switch is set to “LFE.”If you have a Dolby Digital or DTS processor/receiver, the Crossover Frequency is set by the processor/receiver. Consult your owner’s manual to learn how to view or change this setting. The Crossover Adjustment Control determines the highest frequency at which the subwoofer reproduces sounds. If your main speakers can comfortably reproduce some low-frequency sounds, set this control to a lower frequency setting, between 50Hz and 100Hz.This will concentrate the subwoofer’s efforts on the ultradeep bass sounds required by today’s films and music. If you are using smaller bookshelf speakers that do not extend to the lower bass frequencies, set the Crossover Adjustment Control to a higher setting, between 120Hz and 150Hz.
Phase Control
The Phase Switch determines whether the subwoofer speaker’s piston-like action moves in and out with the main speakers, 0 degree, or opposite the main speakers, 180 degree. Proper phase adjustment depends on several variables such as room size, subwoofer placement and listener position. Adjust the phase switch to maximize bass output at the listening position
NOTE: This control will have no effect if the Normal/LFE Selector Switch is set to “LFE.”If you have a Dolby Digital or DTS processor/receiver, the Crossover Frequency is set by the processor/receiver. Consult your owner’s manual to learn how to view or change this setting. The Crossover Adjustment Control determines the highest frequency at which the subwoofer reproduces sounds. If your main speakers can comfortably reproduce some low-frequency sounds, set this control to a lower frequency setting, between 50Hz and 100Hz.This will concentrate the subwoofer’s efforts on the ultradeep bass sounds required by today’s films and music. If you are using smaller bookshelf speakers that do not extend to the lower bass frequencies, set the Crossover Adjustment Control to a higher setting, between 120Hz and 150Hz.
Phase Control
The Phase Switch determines whether the subwoofer speaker’s piston-like action moves in and out with the main speakers, 0 degree, or opposite the main speakers, 180 degree. Proper phase adjustment depends on several variables such as room size, subwoofer placement and listener position. Adjust the phase switch to maximize bass output at the listening position
BASS OPTIMIZATION SYSTEM
Infinity’s Bass Optimization System is a
simple-to-use, yet sophisticated, low-frequency calibration system.The
subwoofer contains a parametric equalizer that you can adjust following the directions
below. By following these instructions, you can improve the sound of your
system.
The Bass Optimization System Goal
It is a fact of audio that what we hear at low frequencies is determined as much or more by the listening room than by the loudspeaker itself. Placement of the loudspeakers and listeners and the acoustical characteristics of the room surfaces are all important determinants of bass quantity and quality. In most practical situations, there is little that can be done about this, except for patient trial-and-error repositioning of the loudspeakers and listeners. Usually, the practical constraints of a living space and the impracticality of massive acoustical treatment mean that equalization is the only practical solution. Professional sound engineers routinely employ sophisticated measurement systems and equalizers to optimize speakers to the installation.This was never practical for the home audiophile. This is why the Bass Optimization System was created. It enables you to identify the dominant low-frequency response characteristic of your room. Once you know the problem, the Bass Optimization System provides the tools needed to optimize the low-frequency characteristics of the speakers to the room they are in, exactly as the professional sound engineers do it.
Preparations
Before beginning the bass tests, please check the following:
# Make sure all three Bass Optimization System controls on the subwoofer are turned fully clockwise.
# Make sure the loudness contour (if any) on your receiver/ processor/preamp is turned off.
# Set the receiver’s/processor’s tone controls (Bass and Treble) to their center or flat positions.
# Bypass all surround and effects features of your receiver/ processor/preamp or set to Stereo Bypass.
# If you are using a multichannel surround processor or receiver, make sure all bass-management features are properly set.The Audio channels should all be set to “Small”or “HighPass” and the subwoofer set to “On.”
# Set the Bass Optimization System Selector ¡ to “On.” For best results, it is recommended that all major furnishings are in place and that all doors and windows in the listening area are in their normal positions.That is, if you normally listen to music with all doors closed, then this is how they should be during this procedure.
The Bass Optimization System Goal
It is a fact of audio that what we hear at low frequencies is determined as much or more by the listening room than by the loudspeaker itself. Placement of the loudspeakers and listeners and the acoustical characteristics of the room surfaces are all important determinants of bass quantity and quality. In most practical situations, there is little that can be done about this, except for patient trial-and-error repositioning of the loudspeakers and listeners. Usually, the practical constraints of a living space and the impracticality of massive acoustical treatment mean that equalization is the only practical solution. Professional sound engineers routinely employ sophisticated measurement systems and equalizers to optimize speakers to the installation.This was never practical for the home audiophile. This is why the Bass Optimization System was created. It enables you to identify the dominant low-frequency response characteristic of your room. Once you know the problem, the Bass Optimization System provides the tools needed to optimize the low-frequency characteristics of the speakers to the room they are in, exactly as the professional sound engineers do it.
Preparations
Before beginning the bass tests, please check the following:
# Make sure all three Bass Optimization System controls on the subwoofer are turned fully clockwise.
# Make sure the loudness contour (if any) on your receiver/ processor/preamp is turned off.
# Set the receiver’s/processor’s tone controls (Bass and Treble) to their center or flat positions.
# Bypass all surround and effects features of your receiver/ processor/preamp or set to Stereo Bypass.
# If you are using a multichannel surround processor or receiver, make sure all bass-management features are properly set.The Audio channels should all be set to “Small”or “HighPass” and the subwoofer set to “On.”
# Set the Bass Optimization System Selector ¡ to “On.” For best results, it is recommended that all major furnishings are in place and that all doors and windows in the listening area are in their normal positions.That is, if you normally listen to music with all doors closed, then this is how they should be during this procedure.
To solve a problem, it helps to first identify
whether you have one and, if so, what it is. First, play a variety of music and
films with energetic bass sounds, like bass guitar, kick drum, keyboards, etc.
A kick drum should produce a tight “thump” , not a flabby“boom. ”Bass melody or
harmony lines should have notes that are about equally loud. If some notes
disappear, or stand out because they are consistently too loud, there is a
problem. Disappearing notes have to be handled by moving the listening position,
or the loudspeakers, to slightly different locations. Often, but sadly not
always, this will be enough. Excesses in bass tend to be most annoying, and
energetic resonances that cause “boomy”or “lumpy”bass can be truly aggravating
over a period of time. Infinity’s Bass Optimization System can fix this. So,
the first step is to exercise your music collection, and listen for
low-frequency problems that crop up in several different recordings. Something
that only happens in one recording is likely to be a problem in the recording –
it happens! If you identify something that is consistently wrong, select a
record that shows it very clearly, and put your CD/DVD player into a repeat
mode (A-B repeat is especially helpful, because you can isolate a short musical
passage).
Set the Bass Optimization System Bandwidth Adjustment Control to a middle position (10 clicks from a fully clockwise position) and set the Level Adjustment for a –6dB (8 clicks from a fully clockwise position).Then, while the music is playing, sit in your favorite chair and have somebody else slowly adjust the Center-Frequency control from fully clockwise to fully counterclockwise. At a certain frequency, you should hear the problem lessen and the overall bass performance improve. When you are satisfied that you have found the best frequency, have your assistant vary the Level slowly up and down until you have maximized the improvement. If you have really keen ears, you can also have the Bandwidth Adjustment control adjusted for maximum benefit.
Set the Bass Optimization System Bandwidth Adjustment Control to a middle position (10 clicks from a fully clockwise position) and set the Level Adjustment for a –6dB (8 clicks from a fully clockwise position).Then, while the music is playing, sit in your favorite chair and have somebody else slowly adjust the Center-Frequency control from fully clockwise to fully counterclockwise. At a certain frequency, you should hear the problem lessen and the overall bass performance improve. When you are satisfied that you have found the best frequency, have your assistant vary the Level slowly up and down until you have maximized the improvement. If you have really keen ears, you can also have the Bandwidth Adjustment control adjusted for maximum benefit.
While the Bass Optimization System allows the
listener to fine tune the bass response to sound best in a particular room,
some listeners don’t have the skill or desire to adjust their system by ear. In
order to facilitate quicker and more accurate results, Infinity has developed
an optional test and measurement kit that allows the user to perform a series
of measurements and aids him/her in properly setting the Bass Optimization
System controls. With the addition of this kit, the Bass Optimization System
becomes truly room-adaptive.The kit consists of the following: a test CD, a
sound-level meter that is specifically calibrated for low frequencies, and something
we call a “Q-Finder,” a device to help find the width of the measured curve
and, finally, a measurement template. It works as follows. The listener plays
the tones from the test CD and records the relative output level of each test
tone, using the sound-level meter, on the provided measurement template. After
all the tones are complete, the template contains a response curve for the
frequencies below 100Hz.The user simply notes the frequency of the largest bass
peak, calculates the correct amount of attenuation, and uses the “Q-Finder”to
determine the width of the curve.These three values are dialed into the Bass
Optimization System controls located on the speaker.The entire process takes
less than twenty minutes.
CIRCUIT DIAGRAM
CLICK ON THE IMAGES TO ZOOM IN



