ViewSonic N2010
Eeprom
Initial:
A. Timing : 640x480@75Hz.
B. Pattern : Cross hatch.
C. Switch off the power and press the UP and enter key simultaneously, then switch on the power. And press menu key ,at this time we can enter into the factory mode.
D. Select the EEPROM INIT item and press enter key to reset the Eeprom.
A. Timing : 640x480@75Hz.
B. Pattern : Cross hatch.
C. Switch off the power and press the UP and enter key simultaneously, then switch on the power. And press menu key ,at this time we can enter into the factory mode.
D. Select the EEPROM INIT item and press enter key to reset the Eeprom.
WORKING OF DIFFERENT PARTS OF THE TV
A. A/D converter
This brick convert is the 110-220AC input voltage to 12V output for invert and Main PCB use.
B. DC to DC converter
This I901& I904 are step down DC/DC converter, it converted 12V input voltage to 5V output for panel, Tuner, MCU use. The I902, I903& I905 convert from 5V to 3.3V&2.5V for scaler & controller use.
C. Scaling controller
The MST51502L is a high performance and fully integrated graphics processing IC solution for multi-function LCD monitor/TV with resolutions up to SXGA/WXGA .It is configured with an integrated triple-ADC/PLL, an integrated DVI/HDCP receiver, a video de-interlaced , two high quality scaling engines, an on-screen display controller, and a built-in output clock generator. By use of external frame buffer, PIP is provided for multimedia applications. It supports de-interlaced full-screen video, video-on-graphic overlay, frame rate conversion, and aspect ration conversion for various video sources.
D. Video Decoder (video)
The TVP5146 device is a high quality, single-chip digital video decoder that digitizes and decodes all popular baseband analog video formats into digital component video. The TVP5146 decoder supports the analog-to-digital (A/D) conversion of component RGB and YPbPr signals, as well as the A/D conversion and decoding of NTSC, PAL ,and SECAM composite and S-video into component YCbCr. This decoder includes four 10-bit 30-MSPS A/D converters (ADCs). Prior to each ADC, each analog channel contains an analog circuit, which clamps the input to a reference voltage and applies a programmable gain and offset. A total of 10 video input terminals can be configured to a combination of RGB, YPbPr, CVBS, or S-video inputs. Component, composite, or S-video signals are sampled at 2x the square-pixel or ITU-R BT.601 clock frequency, line-locked, and are then decimated to the 1x pixel rate. CVBS decoding utilizes five-line adaptive comb filtering for both the luma and chroma data paths to reduce both cross-luma and cross-chroma artifacts. A chroma trap filter is also available. On CVBS and S-video inputs, the user can control video characteristics such as contrast, brightness, saturation, and hue via an I2C host port interface. A built-in color space converter is applied to decoded component RGB data. The following output formats can be selected 20-bit 4:2:2 YCbCr or 10-bit 4:2:2 YCbCr.
The TVP5146 decoder includes methods for advanced vertical blanking interval (VBI) data retrieval. The VBI data processor (VDP) slices, parses, and performs error checking on teletext, closed caption (CC), and other VBI data. A built-in FIFO stores up to 11 lines of teletext data, and with proper host port synchronization, full-screen teletext retrieval is possible. The TVP5146 decoder can pass through the output formatter 2x the sampled raw luma data for host-based VBI processing.
E. Audio
Four audio sources put into IC MSP3410G which fist select the sources and do pre-amplify . The bass and treble control also be provided . The control of all the functions is accomplished by serial bus. Audio amplifier put into IC TPA3002D2 is a class-D amplifier for stereo speakers as 8Ω.
F. Tuner
The Antenna receive the TV signal and modulate it to the CVBS signal which can be recognized by the decoder and FM-stereo/FM-mono/NICAM audio signal output to the sound Automatic standard decoder IC MSP3410G. The MCU can automatic detect the tuner and send order by serial bus.
A. A/D converter
This brick convert is the 110-220AC input voltage to 12V output for invert and Main PCB use.
B. DC to DC converter
This I901& I904 are step down DC/DC converter, it converted 12V input voltage to 5V output for panel, Tuner, MCU use. The I902, I903& I905 convert from 5V to 3.3V&2.5V for scaler & controller use.
C. Scaling controller
The MST51502L is a high performance and fully integrated graphics processing IC solution for multi-function LCD monitor/TV with resolutions up to SXGA/WXGA .It is configured with an integrated triple-ADC/PLL, an integrated DVI/HDCP receiver, a video de-interlaced , two high quality scaling engines, an on-screen display controller, and a built-in output clock generator. By use of external frame buffer, PIP is provided for multimedia applications. It supports de-interlaced full-screen video, video-on-graphic overlay, frame rate conversion, and aspect ration conversion for various video sources.
D. Video Decoder (video)
The TVP5146 device is a high quality, single-chip digital video decoder that digitizes and decodes all popular baseband analog video formats into digital component video. The TVP5146 decoder supports the analog-to-digital (A/D) conversion of component RGB and YPbPr signals, as well as the A/D conversion and decoding of NTSC, PAL ,and SECAM composite and S-video into component YCbCr. This decoder includes four 10-bit 30-MSPS A/D converters (ADCs). Prior to each ADC, each analog channel contains an analog circuit, which clamps the input to a reference voltage and applies a programmable gain and offset. A total of 10 video input terminals can be configured to a combination of RGB, YPbPr, CVBS, or S-video inputs. Component, composite, or S-video signals are sampled at 2x the square-pixel or ITU-R BT.601 clock frequency, line-locked, and are then decimated to the 1x pixel rate. CVBS decoding utilizes five-line adaptive comb filtering for both the luma and chroma data paths to reduce both cross-luma and cross-chroma artifacts. A chroma trap filter is also available. On CVBS and S-video inputs, the user can control video characteristics such as contrast, brightness, saturation, and hue via an I2C host port interface. A built-in color space converter is applied to decoded component RGB data. The following output formats can be selected 20-bit 4:2:2 YCbCr or 10-bit 4:2:2 YCbCr.
The TVP5146 decoder includes methods for advanced vertical blanking interval (VBI) data retrieval. The VBI data processor (VDP) slices, parses, and performs error checking on teletext, closed caption (CC), and other VBI data. A built-in FIFO stores up to 11 lines of teletext data, and with proper host port synchronization, full-screen teletext retrieval is possible. The TVP5146 decoder can pass through the output formatter 2x the sampled raw luma data for host-based VBI processing.
E. Audio
Four audio sources put into IC MSP3410G which fist select the sources and do pre-amplify . The bass and treble control also be provided . The control of all the functions is accomplished by serial bus. Audio amplifier put into IC TPA3002D2 is a class-D amplifier for stereo speakers as 8Ω.
F. Tuner
The Antenna receive the TV signal and modulate it to the CVBS signal which can be recognized by the decoder and FM-stereo/FM-mono/NICAM audio signal output to the sound Automatic standard decoder IC MSP3410G. The MCU can automatic detect the tuner and send order by serial bus.
G.
Teletext
The ET-TVT0310A device is a ten page intelligent single-chip Teletext decoder for use with 625 line TV transmissions having Teletext in the Vertical Blanking Interval (VBI). The device integrates an on-chip digital data slicer and a decoder to provide a flexible Teletext solution incorporating internal software to implement FLOP and TOP Teletext decoding automatically. Additionally, the ET-TVT0310A supports decoding of Video Programming System (PS) signals, and Wide Screen Signaling (WSS) data capture and storage.
The ET-TVT0310A device is a ten page intelligent single-chip Teletext decoder for use with 625 line TV transmissions having Teletext in the Vertical Blanking Interval (VBI). The device integrates an on-chip digital data slicer and a decoder to provide a flexible Teletext solution incorporating internal software to implement FLOP and TOP Teletext decoding automatically. Additionally, the ET-TVT0310A supports decoding of Video Programming System (PS) signals, and Wide Screen Signaling (WSS) data capture and storage.
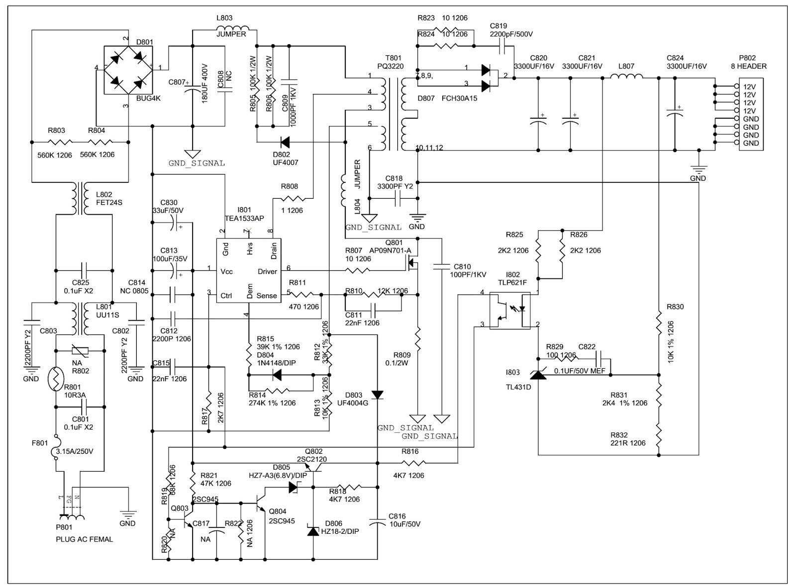
TEA1533AP SMPS driver ic
Besides typical application areas, i.e. adapters andchargers,
the device can be used in TV and monitor supplies and all applications that
demand an efficient and cost-effective solution up to 250 W.
FEATURES
Distinctive features
# Universal mains supply operation (70 to 276 V AC)
# High level of integration, giving a very low external component count.
Green features
# Valley or zero voltage switching for minimum switching losses
# Efficient quasi-resonant operation at high power levels
# Frequency reduction at low power standby for improved system efficiency (<3 W)
# Cycle skipping mode at very low loads. Pi <300 mW at no-load operation for a typical adapter application
# On-chip start-up current source.
Protection features
# Safe restart mode for system fault conditions
# Continuous mode protection by means of
demagnetization detection (zero switch-on current)
# Accurate and adjustable overvoltage protection (latched in TEA1533P, safe restart in TEA1533AP)
# Short winding protection
# Undervoltage protection (foldback during overload)
# Overtemperature protection (latched in TEA1533P, safe restart in TEA1533AP)
# Low and adjustable overcurrent protection trip level
# Soft (re)start
# Mains voltage-dependent operation enabling level.
Distinctive features
# Universal mains supply operation (70 to 276 V AC)
# High level of integration, giving a very low external component count.
Green features
# Valley or zero voltage switching for minimum switching losses
# Efficient quasi-resonant operation at high power levels
# Frequency reduction at low power standby for improved system efficiency (<3 W)
# Cycle skipping mode at very low loads. Pi <300 mW at no-load operation for a typical adapter application
# On-chip start-up current source.
Protection features
# Safe restart mode for system fault conditions
# Continuous mode protection by means of
demagnetization detection (zero switch-on current)
# Accurate and adjustable overvoltage protection (latched in TEA1533P, safe restart in TEA1533AP)
# Short winding protection
# Undervoltage protection (foldback during overload)
# Overtemperature protection (latched in TEA1533P, safe restart in TEA1533AP)
# Low and adjustable overcurrent protection trip level
# Soft (re)start
# Mains voltage-dependent operation enabling level.
PIN configuration
PIN
|
DESCRIPTION
|
1
|
supply
voltage
|
2
|
ground
|
3
|
control
input
|
4
|
input
from auxiliary winding for
|
5
|
demagnetization
timing, overvoltage and overpower protection
|
6
|
programmable
current sense input gate driver output
|
7
|
high
voltage safety spacer, not connected
|
8
|
drain
of external MOS switch, input for start-up current and valley sensing
|
POWER SUPPLY SCHEMATIC DIAGRAM
CLICK ON THE IMAGE TO ZOOM IN
