EMERSON LC320EM8 A
LCD TV
SERVICE MODE AND POWER SUPPLY CIRCUIT
Category : Television Repair
How to make the Service remote control unit:
Cut “A” portion of the attached remote control unit as shown in Fig.
Cut “A” portion of the attached remote control unit as shown in Fig.
Service mode:
1. Use the service remote control unit.
2. Turn the power on.
3. Press the service button on the service remote control unit. The following screen appears.
1. Use the service remote control unit.
2. Turn the power on.
3. Press the service button on the service remote control unit. The following screen appears.
Purity Check Mode
This mode cycles through full-screen displays of red, green, blue, and white to check for non-active pixels.
1. Enter the Service mode.
2. Each time pressing [7] button on the service remote control unit, the display changes as follows.
This mode cycles through full-screen displays of red, green, blue, and white to check for non-active pixels.
1. Enter the Service mode.
2. Each time pressing [7] button on the service remote control unit, the display changes as follows.
VCOM Adjustment
1. Operate the
unit for more than 20 minutes.
2. Set the color analyzer and bring the optical receptor to the center on the LCD-Panel surface after zero point calibration as shown above.
Note: The optical receptor must be set perpendicularly to the LCD Panel surface.
3. Enter the Service mode.
4. Press [3] button on the remote control unit.
5. Press [CH. UP / DOWN] buttons on the remote control unit so that the color analyzer value becomes minimum.
2. Set the color analyzer and bring the optical receptor to the center on the LCD-Panel surface after zero point calibration as shown above.
Note: The optical receptor must be set perpendicularly to the LCD Panel surface.
3. Enter the Service mode.
4. Press [3] button on the remote control unit.
5. Press [CH. UP / DOWN] buttons on the remote control unit so that the color analyzer value becomes minimum.
White Balance Adjustment
*This adjustment is required when reparing T-CON CBA.
Purpose: To mix red, green and blue beams correctly for pure white.
Symptom of Misadjustment: White becomes bluish or reddish.
*This adjustment is required when reparing T-CON CBA.
Purpose: To mix red, green and blue beams correctly for pure white.
Symptom of Misadjustment: White becomes bluish or reddish.
1. Operate the
unit for more than 20 minutes.
2. Input the White Purity.
2. Input the White Purity.
3. Set the color
analyzer to the CHROMA mode and bring the optical receptor to the center on the
LCD-Panel surface after zero point calibration as shown above.
Note: The optical receptor must be set perpendicularly to the LCD Panel surface.
4. Enter the Service mode. Press [VOL. DOWN] button on the remote control unit and select “C/D” mode.
Note: The optical receptor must be set perpendicularly to the LCD Panel surface.
4. Enter the Service mode. Press [VOL. DOWN] button on the remote control unit and select “C/D” mode.
5. [CUTOFF]
Press [3] button to select “COB” for Blue Cutoff adjustment. Press [1] button to select “COR” for Red Cutoff adjustment.
[DRIVE]
Press [6] button to select “DB” for Blue Drive adjustment. Press [4] button to select “DR” for Red
Drive adjustment.
6. In each color mode, press [CH. UP/ DOWN] buttons to adjust the values of color.
7. Adjust Cutoff and Drive so that the color temperature becomes 12000K (x= 0.272 / y= 0.278 ±0.005).
Press [3] button to select “COB” for Blue Cutoff adjustment. Press [1] button to select “COR” for Red Cutoff adjustment.
[DRIVE]
Press [6] button to select “DB” for Blue Drive adjustment. Press [4] button to select “DR” for Red
Drive adjustment.
6. In each color mode, press [CH. UP/ DOWN] buttons to adjust the values of color.
7. Adjust Cutoff and Drive so that the color temperature becomes 12000K (x= 0.272 / y= 0.278 ±0.005).
How to initialize the LCD
television:
1. Turn the power on.
2. To enter the service mode, press the service button on the service remote control unit.
- To cancel the service mode, press [POWER] button on the remote control unit.
3. Press [INFO] button on the remote control unit to initialize the LCD television.
1. Turn the power on.
2. To enter the service mode, press the service button on the service remote control unit.
- To cancel the service mode, press [POWER] button on the remote control unit.
3. Press [INFO] button on the remote control unit to initialize the LCD television.
4. "INITIALIZED" will appear in the upper right of the screen.
"INITIALIZED" color will change to green from red when initialzing is
complete.
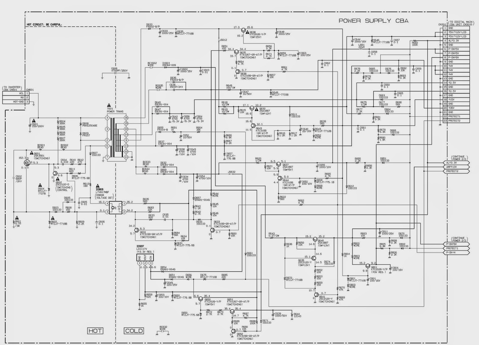
POWER SUPPLY CIRCUIT
CLICK ON THE IMAGE TO ZOOM IN


