Category: DVD player Repair and Service
Contents of this article
- How to do factory reset
- Firmware update
- How to eject the disc
DENON DVD-1720 - DVD556
HOW TO INITIALIZE THE DVD PLAYER
To put the program back at the factory-default, initialize the DVD player as the following procedure.
1. Press [1], [2], [3], [4], and [DISPLAY] buttons on the remote control unit in that order.2. Press [CLEAR] button on the remote control unit.
To put the program back at the factory-default, initialize the DVD player as the following procedure.
1. Press [1], [2], [3], [4], and [DISPLAY] buttons on the remote control unit in that order.2. Press [CLEAR] button on the remote control unit.
When “OK” appears on the screen, the factory default
will be set.
3. To exit this mode, press [POWER OFF] button.
3. To exit this mode, press [POWER OFF] button.
FIRMWARE RENEWAL
1. Turn the power on and remove the disc on
the tray.
2. To put the DVD player into version up mode, press [9], [8], [7], [6], and [SEARCH MODE] buttons on the remote control unit in that order. The tray will open automatically.
2. To put the DVD player into version up mode, press [9], [8], [7], [6], and [SEARCH MODE] buttons on the remote control unit in that order. The tray will open automatically.
The DVD player can also enter the version up mode
with the tray open.
3. Load the disc for version up.
4. The DVD player enters the F/W version up mode automatically. If you enter the F/W for different models, “Disc Error” will appear on the screen, then the tray will open automatically.
3. Load the disc for version up.
4. The DVD player enters the F/W version up mode automatically. If you enter the F/W for different models, “Disc Error” will appear on the screen, then the tray will open automatically.
5. After programming is finished, the tray
opens automatically.
At this time, no button is available.
6. Remove the disc on the tray.
7. Unplug the AC cord from the AC outlet. Then plug it again.
8. Turn the power on by pressing the [POWER ON] button and the tray will close.
9. Press [1], [2], [3], [4], and [DISPLAY] buttons on the remote control unit in that order.
6. Remove the disc on the tray.
7. Unplug the AC cord from the AC outlet. Then plug it again.
8. Turn the power on by pressing the [POWER ON] button and the tray will close.
9. Press [1], [2], [3], [4], and [DISPLAY] buttons on the remote control unit in that order.
10. Press [CLEAR] button on the remote
control unit.
When “OK” appears on the screen, the factory default
will be set. Then the firmware renewal mode is complete.
11. To exit this mode, press [POWER OFF] button.
11. To exit this mode, press [POWER OFF] button.
How to Eject Manually
1. Remove the Top Cover.
2. Rotate the roulette in the direction of the arrow as shown below.
1. Remove the Top Cover.
2. Rotate the roulette in the direction of the arrow as shown below.
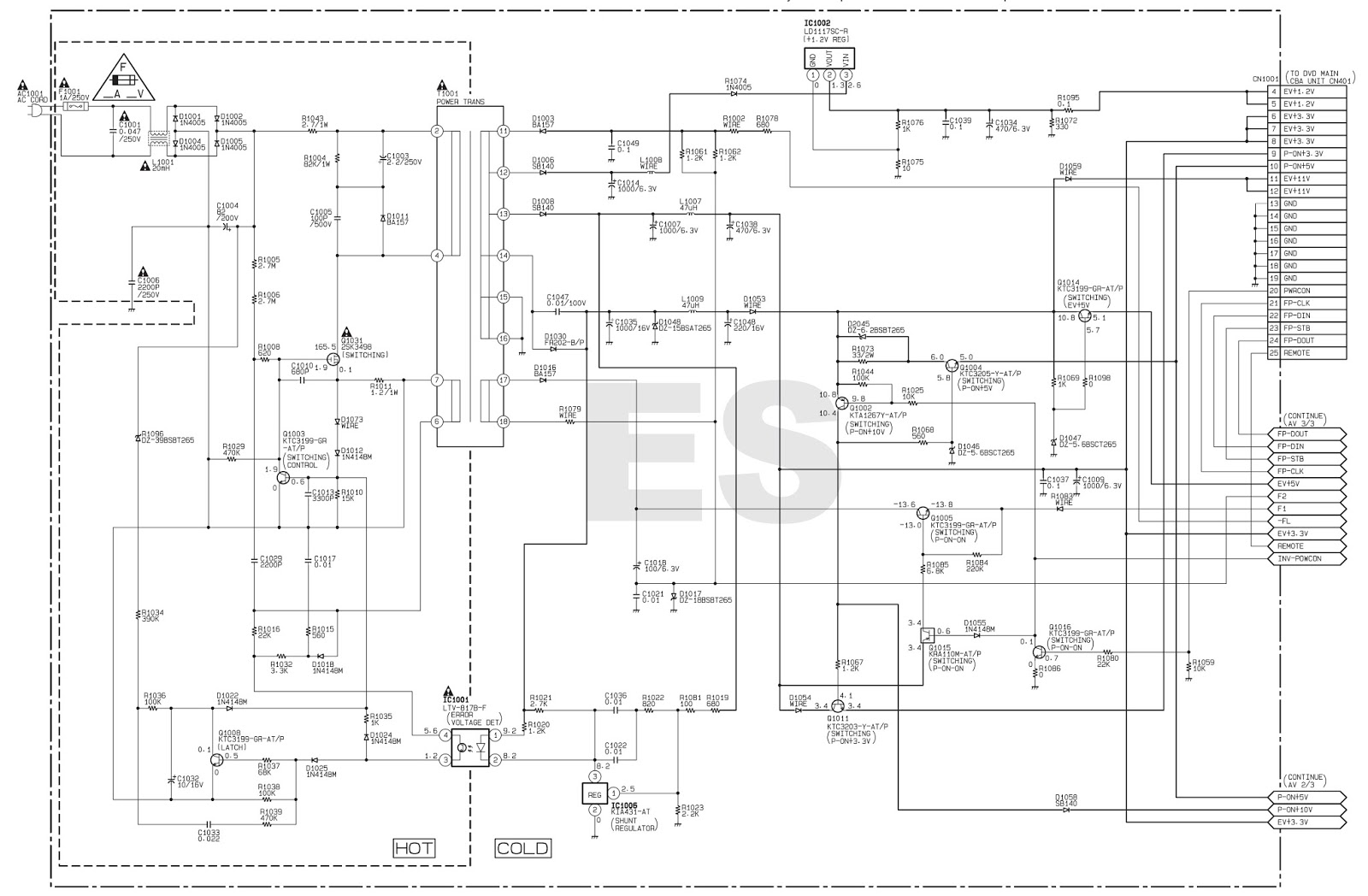
POWER SUPPLY CIRCUIT DIAGRAM
CLICK ON THE IMAGE TO ZOOM IN


